聯系人:王經理
銷售電話:15610293837
銷售QQ:2962700085
公司地址:山東省濰坊高新區新城街道玉清社區光電路155號濰坊高新區光電產業加速器(一期)1號樓301

PRODUCT CENTER
聯系人:王經理
銷售電話:15610293837
銷售QQ:2962700085
公司地址:山東省濰坊高新區新城街道玉清社區光電路155號濰坊高新區光電產業加速器(一期)1號樓301
六要素傳感器又稱百葉箱六要素傳感器,一體式百葉箱傳感器,六要素傳感器可廣泛適用于環境檢測,集噪聲采集、CO2、溫濕度、大氣壓力、光照于一體,廣泛適用于需要測量環境溫濕度、噪聲、空氣質量、大氣壓力光照等各種場合。
一、六要素傳感器產品簡介
六要素傳感器又稱百葉箱六要素傳感器,一體式百葉箱傳感器,六要素傳感器可廣泛適用于環境檢測,集噪聲采集、CO2、溫濕度、大氣壓力、光照于一體,廣泛適用于需要測量環境溫濕度、噪聲、空氣質量、大氣壓力光照等各種場合。
山東萬象環境科技有限公司作為專業研發生產氣象傳感器的企業,一直致力于氣象傳感器和氣象環境解決方案推廣應用。具有完整的生產鏈、實力雄厚的技術團隊和全面的營銷團隊,我們研發生產的傳感器已廣泛應用到智慧農業、氣象監測、城市環境監測、風力發電、航海船舶、航空機場、橋梁隧道等領域,客戶遍布全國各地,并取得了良好的社會效益和經濟效益。
二、產品特點
1、抗干擾能力強,具有看門狗電路,自動復位功能,保證系統穩定運行
2、高集成度,無移動部件,零磨損
3、免維護,無需現場校準
4、采用ASA工程塑料室外應用常年不變色
5、產品設計輸出信號標配為RS485通訊接口(MODBUS協議);可選配232、USB、以太網接口,支持數據實時讀取☆
6、可選配無線傳輸模塊,最小傳輸間隔1分鐘
三、技術參數
1、空氣溫度:-40-60℃(±0.3℃);(北京市氣象局校準證書)
2、空氣濕度:0-100%RH(±3%RH);(北京市氣象局校準證書)
3、大氣壓力:30-110Kpa(±0.25%);(北京市氣象局校準證書)
4、PM2.5:0-1000ug/m3(±10%)
5、PM10:0-1000ug/m3(±10%)
6、噪聲:30-120dB(±1.5dB)
7、功率:0.72W
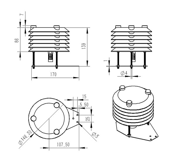
四、產品尺寸圖

五、產品結構圖

WX-WQX10氣象環境監測傳感器的獨特之處在于它們的"永恒警覺"。無論黎明還是深夜,無論晴空還是暴雨,它們始終保持著觀測的節奏,像一位永不打盹的哨兵,記錄著環境的細微變化。這種不間斷的監測能力,讓瞬息萬變的天氣有了完整的"生命軌跡",為氣象研究提供了連綿不斷的數據長河。···
農業氣象信息的分類有很多種,根據不同的氣象性質可以分出多類不同的氣象類型。比如,常見的農田氣象、旱地氣象、農林氣象等,這些不同類型的氣象信息都需要一個明確的電子標識統來進行標識。一個規范、明確、高效的電子標識系統還能夠對數據的來源、方位、地理位量等參數進行標識,以方便數據在終端進行統計和使用。···
WX-SFB05浮標水質分析儀的設計巧妙結合了浮標與水質分析技術。浮標作為載體,使得分析儀能夠自由漂浮在水面上,不受固定位置的束縛。這種設計不僅大大擴展了監測范圍,還能夠實現對不同水域、不同深度的水質進行實時監測。無論是湖泊、河流,還是近海海域,浮標水質分析儀都能輕松應對,為水質監測工作提供了前所未有的靈活性。···
WX-FGF11光伏環境監測站是一種集成了多種傳感器和數據處理技術的智能設備,能夠實時監測光伏電站所在區域的氣象參數和環境條件。通過精確的數據采集和分析,光伏環境監測站能夠為光伏電站的運行維護提供科學依據,進而提升發電效率,降低運維成本。光伏環境監測站的主要功能包括實時監測光伏電站所在區域的氣象參數(如溫度、濕度、風速、風向、氣壓等)和輻照度數據,以及將這些數據實時傳輸至數據處理中心進行存儲和分析。···
傳統環境監測方式往往受限于時間、地點和人力成本,難以實現對環境質量的全面、實時掌控。而WX-PQX12多功能移動環境監測儀的問世,徹底打破了這一瓶頸。這款集高科技于一身的“智能哨兵”,集成了空氣質量檢測、水質分析、噪音監測、溫濕度感知等多種功能于一體,能夠靈活部署于城市街道、工業園區、自然保護區等多個場景,實現全天候、全方位的環境數據收集與分析。···
河流的流速是反映河流動力特性的重要參數,對于河流的水資源利用、洪水預警、河床演變研究等都具有重要意義。WX-LS5+電波流速儀能夠實時、準確地測量河流的流速,為相關部門提供及時、可靠的數據支持,有助于制定科學合理的河流管理方案。在洪水預警系統中,電波流速儀也發揮著重要作用。通過實時監測河流的流速變化,可以及時發現洪水發生的跡象,為預警系統提供關鍵數據支持。···