聯系人:王經理
銷售電話:15610293837
銷售QQ:2962700085
公司地址:山東省濰坊高新區新城街道玉清社區光電路155號濰坊高新區光電產業加速器(一期)1號樓301

PRODUCT CENTER
聯系人:王經理
銷售電話:15610293837
銷售QQ:2962700085
公司地址:山東省濰坊高新區新城街道玉清社區光電路155號濰坊高新區光電產業加速器(一期)1號樓301
溫濕度大氣壓噪聲傳感器又稱噪音溫濕度一體傳感器,百葉箱傳感器,溫濕度大氣壓噪聲傳感器可以測量溫濕度、大氣壓力、噪聲等參數,集成度高,安裝方便,采用進口元件,測量精度高,適用于室外氣體環境監測領域。
一、溫濕度大氣壓噪聲傳感器產品簡介
溫濕度大氣壓噪聲傳感器又稱噪音溫濕度一體傳感器,百葉箱傳感器,溫濕度大氣壓噪聲傳感器可以測量溫濕度、大氣壓力、噪聲等參數,集成度高,安裝方便,采用進口元件,測量精度高,適用于室外氣體環境監測領域。
山東萬象環境科技有限公司作為專業研發生產氣象傳感器的企業,一直致力于氣象傳感器和氣象環境解決方案推廣應用。具有完整的生產鏈、實力雄厚的技術團隊和全面的營銷團隊,我們研發生產的傳感器已廣泛應用到智慧農業、氣象監測、城市環境監測、風力發電、航海船舶、航空機場、橋梁隧道等領域,客戶遍布全國各地,并取得了良好的社會效益和經濟效益。
二、產品特點
1、抗干擾能力強,具有看門狗電路,自動復位功能,保證系統穩定運行
2、高集成度,無移動部件,零磨損
3、免維護,無需現場校準
4、采用ASA工程塑料室外應用常年不變色
5、產品設計輸出信號標配為RS485通訊接口(MODBUS協議);可選配232、USB、以太網接口,支持數據實時讀取☆
6、可選配無線傳輸模塊,最小傳輸間隔1分鐘
三、技術參數
1、空氣溫度:-40-60℃(±0.3℃);(北京市氣象局校準證書)
2、空氣濕度:0-100%RH(±3%RH);(北京市氣象局校準證書)
3、大氣壓力:30-110Kpa(±0.25%);(北京市氣象局校準證書)
4、噪聲:30-120dB(±1.5dB)
5、功率:0.12W
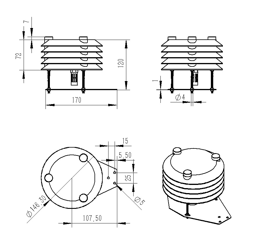
四、產品尺寸圖

五、產品結構圖

WX-CQ6自動小型氣象站是一套實時收集溫度、濕度、風速、風向、氣壓、降水量的設備,六要素一體式傳感器的數據經過分析之后,可以用在氣候研究、環境監測和災害預警方面,為它們提供科學依據,結合歷史數據和實時監測數據,進行天氣預報和趨勢分析。自動小型氣象站監測極端天氣事件,如臺風、暴雨、干旱等,及時發布預警信息,減少災害損失?!ぁぁ?/p>
WX-CQ12全自動氣象站的出現更是為氣象站的建設添磚加瓦,主要作用是監測氣象要素,主要包括氣壓、雨量、風速、風向、光照度、空氣溫濕度、土壤溫濕度、總輻射等,通過無線技術將數據傳輸到數據庫或云平臺,實現實時監測和數據共享。農民和林業管理者可以利用全自動氣象站提供的數據,利用氣象數據來確定最佳的農作物種植時間、灌溉方案和施肥量,確定最佳的農作物種植和管理時機···
傳統能見度評估依賴主觀經驗,如同用體感猜測溫度般粗略。而WX-BN20便攜式能見度檢測儀的精妙,在于它賦予了觀測"數字標尺"——通過光學原理分析空氣中顆粒物對光的散射,將"看得清多遠"這個抽象概念轉化為精確的米數。這類儀器的智慧在于它的"環境適應力"。無論是晨霧中的水汽粒子,還是火災現場的煙塵組合,亦或是沙塵暴里的礦物微粒,不同性質的懸浮物會形成差異化的散射信號?!ぁぁ?/p>
WX-GTS10多層土壤墑情監測站的最大亮點在于其分層監測的能力。不同深度的土壤對作物根系發育和生長有著至關重要的影響。該系統能夠在不同深度的土壤中埋設傳感器,同時獲取表層、中層和深層土壤的水分含量、溫度等關鍵數據。這種全面的監測方式,為農戶提供了詳盡的土壤信息,使他們能夠更準確地了解土壤墑情的真實狀況。···
萬象環境的WX-Q2農業四情監測預警系統配備了高精度傳感器,能夠實時監測農田的土壤濕度、溫度、光照強度、降雨量以及空氣溫濕度等關鍵參數。這些傳感器采用先進的材料和工藝,確保了數據采集的準確性和穩定性。通過精準采集農田數據,系統能夠為農業生產者提供可靠的信息支持,幫助他們做出更加科學的決策?!ぁぁ?/p>
WX-NJD10 10km能見度監測站最可貴的能力在于它的"遠見卓識"。普通能見度儀往往只能監測幾百米范圍內的霧況,而這款設備卻能捕捉10公里外的能見度變化。就像一位站在高處的瞭望者,它能提前發現遠處正在形成的團霧,為高速公路管理部門爭取寶貴的預警時間。設備的"環境適應力"同樣令人稱道。無論是盛夏的濕熱蒸汽還是寒冬的刺骨冷霧,無論是飛揚的塵土還是綿綿的雨幕,監測站都能保持穩定工作?!ぁぁ?/p>